Fet, igbt, mosfet, mospower - tester circuit 
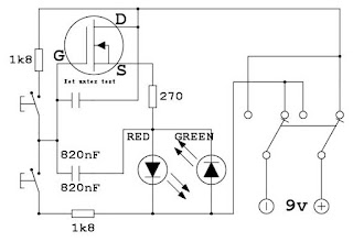
Questo tester e molto semplice e quindi adatto anche a chi è la prima volta che si cimenta nella costruzione di circuiti elettronici. Va chiarito che questo strumento pur non essendo professionale porta ad escludere che il Fet, igbt, mosfet o mospower sia interrotto o in corto e quindi non utilizzabile per i nostri esperimenti. Come potete notare Si possono testare sia Fet, igbt, mosfet e mospower di canale N che anche quelli di canale P.
This
 tester is very simple and therefore also suitable for those who are the
 first time in the construction of electronic circuits. It
 should be clarified that this tool, although not professional, leads to
 the exclusion that the Fet, igbt, mosfet or mospower is interrupted or 
shorted and therefore not usable for our experiments. As you can see You can test both Fet, igbt, mosfet mospower as channel N and as well channel P.
Dieser Tester ist sehr einfach zum bauen und ist geeignet auch für diejenigen die zum ersten Mal elektronische Schaltungen zusammenstellen vollen. Es
 solte klar sein dass dieses instrument nicht professionell ist, aber kann ohne weiteres entscheiden zwischen eine gute und eine felerhaft Fet, igbt, Mosfet oder
 Mospower  und ob  N-Kanal oder  P-Kanal sind. Das ist genau das was wir brauchen um diese bauteile noch in unsere schaltungen benutzen Können.
| Fet, mosfet, mosfet und igbt tester circuit | 
![]()  | 
| Fet tester canal N and P | 



Se desiderate potete scrivermi quì, Ich antworte in spaghetti Deutsch und pizza English
RispondiElimina